搜索


会员资源切换至【手机版】

切换本帖至【手机版】


开启左侧

松下TC-2188图纸扫描版[PDF]

[复制链接]
发表于 2021-8-12 20:33:53 | 显示全部楼层 |阅读模式

游客,本帖隐藏的内容需要积分高于 1 才可浏览,您当前积分为 0


资源信息:



中文名


: 松下TC-2188图纸


作者


: 刘裕丰


资源格式


: PDF


版本


: 扫描版


出版社


: 自制图书


书号


: 7-100-00042-4


发行时间


: 2011年


地区


: 大陆


语言


: 简体中文


概述


:




内容简介:


"松下TC-2188彩电原理图,是维修松下TC-2188彩电的必备资料",维修彩电若有此彩电的原理图往往可以起到事半功倍的效果,因此希望广大的维修员门把我们在网络上找到的所有的电器用于维修的原理图都搜集并在电脑中保存起来,在电脑中保存为PDF格式,然后到电驴中来发表,不仅可以发扬电驴的人人为我,我为人人的精神,还可以为社会多做些贡献。


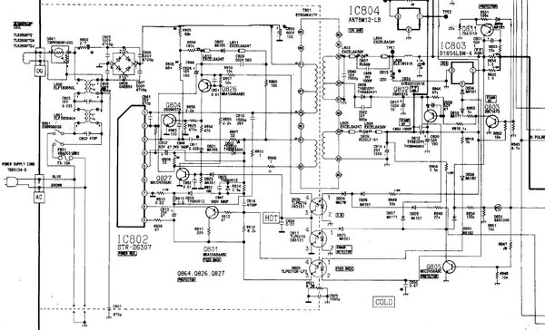
内容截图:




买鞋子哪个网站好?首选中国最大的正品鞋网商城(http://shoes.weixiaodian.com/)、 网上正品鞋城(http://u.weixiaodian.com/shoe/)。微店网页版请从http://121.weixiaodian.com登录:手把手教你如何免费申请开通微店、怎样经营微店及如何用微店赚钱。看笑话,上


爱哈啦


(http://www.aihala.com/)。

主题推广




回复

使用道具 举报

您需要登录后才可以回帖 登录 | 立即注册

本版积分规则

切换至【手机版】| 主站| Archiver|

JS of wanmeiff.com and vcpic.com Please keep this copyright information, respect of, thank you!JS of wanmeiff.com and vcpic.com Please keep this copyright information, respect of, thank you!

|网站地图

GMT+8, 2026-4-1 11:32 , Processed in 1.074744 second(s), 124 queries .

 

快速回复 返回顶部 返回列表